手動蝶閥

GI高真空蝶閥
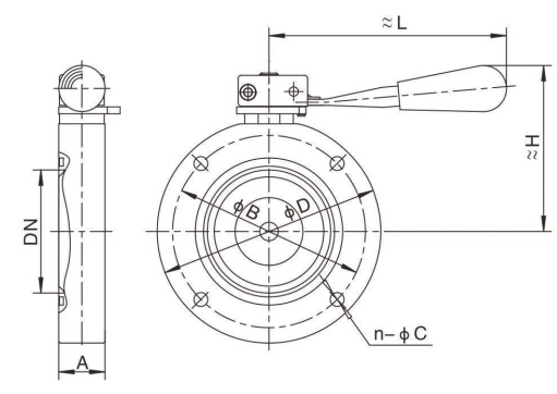
產品簡介
News Center
新聞中心| 公稱通徑 | 32 | 40 | 50 | 65 | 80 | 100 | 125 | 150 | 200 | 250 | 300 |
| 適用范圍 | 1.33X0-4~1.02X05 | ||||||||||
| 介質溫度 | -25~80 | ||||||||||
| 連接法蘭 | JB/T919 GB/6070 | ||||||||||
| 漏氣速率 | ≤1.33X0-4 | ||||||||||
| 流導(分子流) | 25 | 48 | 97 | 178 | 260 | 546 | 938 | 1328 | 2611 | 3962 | 6159 |
設計制造 | 連接法蘭 | 檢驗與試驗 |
| JB/T4079 91 | JB/T919 GB/T6070 | JB/T1079 JB/T6446 |
零件名稱 | 閥體和蝶板 | 構件 | 密封墊(閥體、蝶板) |
| 材料 | 碳素鋼(鍍鎳) | 2Cr13 | 丁腈橡膠 |
| 不銹鋼 | 不銹鋼 | 丁腈橡膠/氟橡膠 |

型號 | 通徑 | OD | (PB | H | A | L | n-OC |
GI-25 | 25 | 70 | 55 | 64 | 22 | 104 | 4-7 |
GI-32 | 32 | 78 | 64 | 68 | |||
GI-40 | 40 | 85 | 70 | 72 | 116 | ||
GI-50 | 50 | 110 | 90 | 85 | 4-9 | ||
GI-63 | 63 | 130 | 110 | 96 | 26 | 132 | |
GI-80 | 80 | 145 | 125 | 108 | 30 | 154 | |
GI-100 | 100 | 170 | 145 | 120 | 4-12 | ||
GI-125 | 125 | 195 | 170 | 136 | 35 | 197 | |
GI-150 | 150 | 220 | 195 | 150 | 8-12 | ||
GI-200 | 200 | 275 | 250 | 185 | 40 | 242 | |
GI-250 | 250 | 330 | 300 | 2X9 | 45 | 330 | |
GI-300 | 300 | 380 | 350 | 245 | 55 | 8-14 | |
GI-400 | 400 | 500 | 465 | 312 | 60 | 435 | 8-18 |
在線留言